产品分类
- 拨动开关
- 轻触开关
- 按键自锁开关
- 按钮开关
- USB插座
- 五向开关
- DC电源插座
- 耳机插座插口
- 检测开关·复位开关
- 震动开关·滚珠开关
- 直键开关.推动开关
- 旋转编码开关
- 微动开关
- 船型开关
- DC插座,耳机母座
- 门锁开关·门扣开关
- 键盘开关·机械开关
- 电源开关·大电流开关
- 钮子开关/摇柄开关
- 叶片开关
- 手电筒按钮开关
- 防水开关,防水微动开关
- 拨码开关.DIP开关
- 手机弹片电池座
- 笔记本连接器
- RCA铜芯插座
- 电位器
- S端子接口
- AC插座
- HDMI母座
- LED带灯模组芯片
- SPEAKON连接器
- MPC端子
- XLR插座
- XLR音响组合插座
- DS插座
- DIN插头
- AV-S端子
- 接线端子座连接器
- 针座
- FPC连接器
- 推荐产品
- 开关键帽
- BTB板对板
- RJ45网络插座
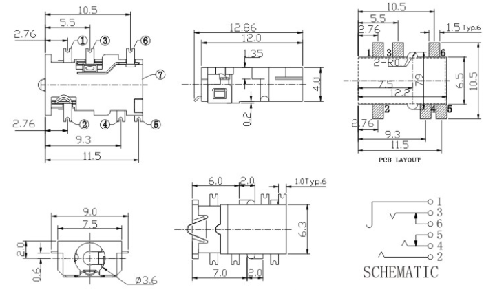
无头平口3.6耳机母座/平口3.6MM耳机插座4极 PJT-00068
分类: 3.5耳机插座贴片
发布时间: 2018-01-02 15:02
无头平口3.6耳机母座/平口3.6MM耳机插座4极 PJT-00068

