产品分类
- 拨动开关
- 轻触开关
- 按键自锁开关
- 按钮开关
- USB插座
- 五向开关
- DC电源插座
- 耳机插座插口
- 检测开关·复位开关
- 震动开关·滚珠开关
- 直键开关.推动开关
- 旋转编码开关
- 微动开关
- 船型开关
- DC插座,耳机母座
- 门锁开关·门扣开关
- 键盘开关·机械开关
- 电源开关·大电流开关
- 钮子开关/摇柄开关
- 叶片开关
- 手电筒按钮开关
- 防水开关,防水微动开关
- 拨码开关.DIP开关
- 手机弹片电池座
- 笔记本连接器
- RCA铜芯插座
- 电位器
- S端子接口
- AC插座
- HDMI母座
- LED带灯模组芯片
- SPEAKON连接器
- MPC端子
- XLR插座
- XLR音响组合插座
- DS插座
- DIN插头
- AV-S端子
- 接线端子座连接器
- 针座
- FPC连接器
- 推荐产品
- 开关键帽
- BTB板对板
- RJ45网络插座

产品名称:电池连接器 笔记本刀片连接器
品 牌:溪榜电子
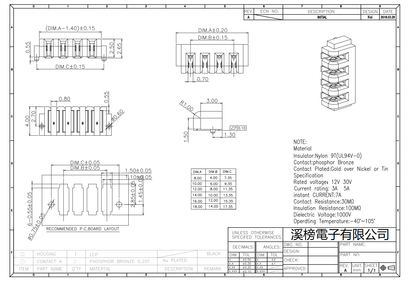
笔记本电池连接器产品参数:
笔记本电池连接器PIN数:2P-12
塑胶材质:Nylon 6T/9T(UL94V-0)
接触点材质:磷铜/镀金
表面镀层:金在镍/锡之上,镀层厚度3U″
绝缘电阻:100MΩ Min
接触电阻:30mΩ Max
额定电流:3A 5A 7A /PIN
瞬间电流: 7A 10A/PIN
额定电压:125V AC/Min
工作温度:-30℃~105℃
耐 电 压:600V
耐 高 温:260℃/5S
盐雾试验:48小时
工作寿命:10000cycles
笔记本连接器适用范围: 工控设备 电脑笔记本 计算机设备 汽车工业 小家电吸尘器 无人机 智能锁 行车记录仪 数码相机及各类锂电池保护板。
Product name: battery connector notebook blade connector
Brand: Xibang Electronics
Notebook battery connector product parameters:
Notebook battery connector PIN number: 2P-12
Plastic material: Nylon 6T/9T (UL94V-0)
Contact point material: phosphor bronze/gold-plated
Surface coating: gold on top of nickel/tin, the thickness of the coating is 3U″
Insulation resistance: 100MΩ Min
Contact resistance: 30mΩ Max
Rated current: 3A 5A 7A /PIN
Instantaneous current: 7A 10A/PIN
Rated voltage: 125V AC/Min
Working temperature: -30℃~105℃
Withstand voltage: 600V
High temperature resistance: 260℃/5S
Salt spray test: 48 hours
Working life: 10000cycles
The scope of application of notebook connectors: Industrial control equipment, computer notebooks, computer equipment, automotive industry, small household appliances, vacuum cleaners, drones, smart locks, driving recorders, digital cameras, and various lithium battery protection boards.
.png)
_副本.jpg)
_副本.jpg)