产品分类
- 拨动开关
- 轻触开关
- 按键自锁开关
- 按钮开关
- USB插座
- 五向开关
- DC电源插座
- 耳机插座插口
- 检测开关·复位开关
- 震动开关·滚珠开关
- 直键开关.推动开关
- 旋转编码开关
- 微动开关
- 船型开关
- DC插座,耳机母座
- 门锁开关·门扣开关
- 键盘开关·机械开关
- 电源开关·大电流开关
- 钮子开关/摇柄开关
- 叶片开关
- 手电筒按钮开关
- 防水开关,防水微动开关
- 拨码开关.DIP开关
- 手机弹片电池座
- 笔记本连接器
- RCA铜芯插座
- 电位器
- S端子接口
- AC插座
- HDMI母座
- LED带灯模组芯片
- SPEAKON连接器
- MPC端子
- XLR插座
- XLR音响组合插座
- DS插座
- DIN插头
- AV-S端子
- 接线端子座连接器
- 针座
- FPC连接器
- 推荐产品
- 开关键帽
- BTB板对板
- RJ45网络插座

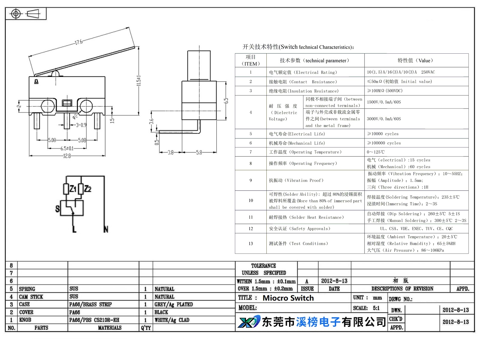
品 名:微动开关
微动开关技术参数:
1.额定负荷: DC 30V 125V 250V 1A 5A 10A 16A 20A
2.接触电阻: ≤100mΩ
3.绝缘阻抗: AC 500V 1Minute
4.使用温度: -25℃+85℃
5.操作力 :30±15gf
6.机械寿命:3,000,000Cycles
7.定制选择:AC 125V 3A
8.操作力:30±15gf
9.特点:弹片压柄 行程长
微动开关详细介绍:
开关使用注意:
1 .请根据额定值电流、操作负载、驱动杆的种类、使用温度等要求选择合适型号的开关;
2 .在潮湿,杂质、尘埃较多的环境中请选用密封型开关。
3 .请不要往按钮及驱动部位加油,否则可能引起开关功能异常甚至烧损。
4 .请将开关安装在平面上,并用平垫圈或弹簧垫圈紧固,如果安装面凹凸不平,会导致开关功能失效或破损。
5:开关储存环境;产品应存放在没有雨雪侵袭、空气流通、干爆濡席为 o℃~55℃ 、没有有害介质存在的库房中堆放层数不高于 5 层,且进行密封储存。
开关应用范围:广泛应用于各种家用电器、医疗器械、军工行业、电子设备、自动化设备、通讯设备.汽车电子、电动工具等领域。
Product Name: Micro Switch
Technical parameters of micro switch:
1. Rated load: DC 30V 125V 250V 1A 5A 10A 16A 20A
2. Contact resistance: ≤100mΩ
3. Insulation resistance: AC 500V 1Minute
4. Operating temperature: -25℃+85℃
5. Operating force: 30±15gf
6. Mechanical life: 3,000,000 Cycles
7. Customized option: AC 125V 3A
8.Operating force: 30±15gf
9.Features: Shrapnel pressing handle, long stroke
Detailed introduction of micro switch:
Note for switch use:
1 . Please select the appropriate type of switch according to the requirements of rated current, operating load, drive rod type, use temperature, etc.;
2 . Please choose a sealed switch in a humid environment with a lot of impurities and dust.
3. Please do not add oil to the button and drive parts, otherwise it may cause abnormal switch function or even burn.
4. Please install the switch on a flat surface and fasten it with flat washers or spring washers. If the mounting surface is uneven, it will cause the switch to fail or be damaged.
5: Switch storage environment; the product should be stored in a warehouse where there is no rain and snow, air circulation, dry-explosive mats between o ℃ ~ 55 ℃, and no harmful media, and the number of layers should not exceed 5, and the storage should be sealed.
Switch application range: widely used in various household appliances, medical equipment, military industry, electronic equipment, automation equipment, communication equipment. Automotive electronics, power tools and other fields.
.jpg)
